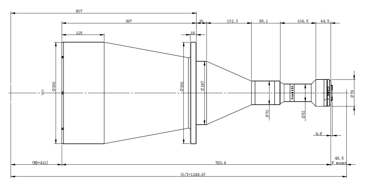
CR灿锐 XF-PTL26838-F 远心镜头
| 光学结构 | 双远心 |
| 倍率X | 0.147 |
| 物方视野(mm) | 258.5 |
| 像方视野(mm) | 38 |
| 工作距离(mm) | 410 |
| 远心设计值(°) | 0.04 |
| 景深(mm) | 40.9 |
| 光圈 | F8 |
| 分辨力(μm) | 35.93 |
| 光学畸变设计值(%) | 0.06 |
| O/I(mm) | 1249.9 |
| 最大口径(mm) | 300 |
| 镜头总长(mm) | 793.4 |
| 芯片类型 | 71M |
| 芯片长 | 31 |
| 芯片宽 | 22 |
| 对角线 | 38 |
| 物方视野长 | 210.9 |
| 物方视野宽 | 149.7 |
| 镜头接口 | F接口 |

0755-83512170 手机/微信:13249819590 QQ:2577758288 邮箱:2577758288@qq.com