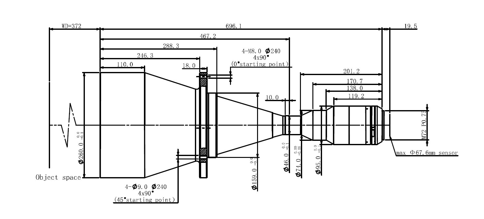
COOLENS视清 DTCA0313-372-M72-19.5-AL 工业镜头
基本参数
支持CCD尺寸(Φmm)
67.6
放大倍率β(x)
0.313
物方工作距WD(mm)
372±5
像方F/#
7.9
物方景深DOF(mm)
±3.2@F16
像方畸变(% max)
<0.1
物方远心度(° max)
<0.1
物像距I/O(mm)
1087.6
镜头总长(mm)
696.1
镜头接口
M72
像方MTF30(lp/mm)
>100
视野范围(mmxmm)
1.5亿像素CMOS CoaXPressIMX411(53.42x40mm)
170.6×127.8

0755-83512170 手机/微信:13249819590 QQ:2577758288 邮箱:2577758288@qq.com